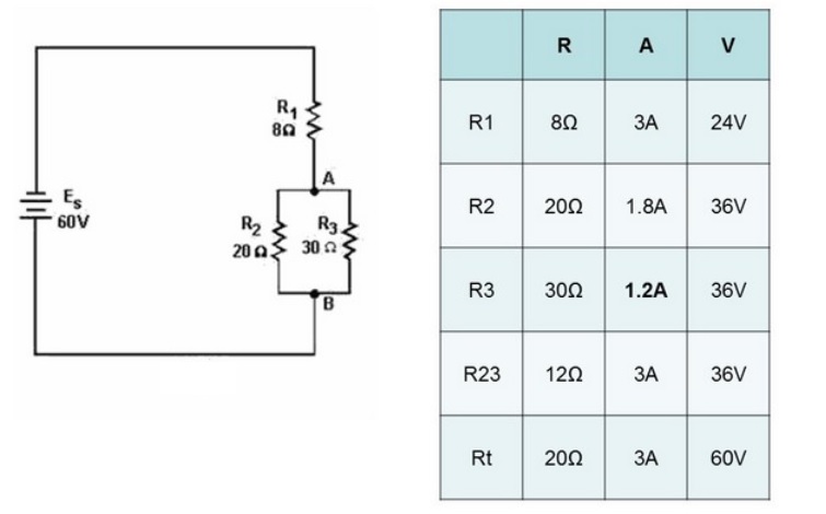
1408 Circuit Substitution Example

 

 

 

 

 

 

 

 

 

 

 

 

 

 

 

 

 

KEY